Görüntüleme sayısı:0 Yazar:Bu siteyi düzenle Gönderildi: 30-08-2023 Kaynak:Bu site
Modern sanayi alanında, yenilikçi teknolojilerin itici gücü yalnızca üretim verimliliğini artırmakla kalmıyor, aynı zamanda üretim standartlarını da yeniden tanımlıyor.Bu dinamik ortamda IBC tank şişirme teknolojisi, etkili etkisiyle IBC tank üretiminin geleceğine yön veren bir öncü olarak duruyor.Önemli bir üretim süreci olarak IBC tank şişirme kalıplama, yalnızca üretim hatlarını kolaylaştırmakla kalmaz, aynı zamanda ürün kalitesinde benzersiz bir tutarlılık sağlar.Bu makalede IBC tank üflemeli kalıplamanın temel unsurlarını ve çağdaş üretim hatlarındaki önemli rolünü inceleyeceğiz.Bu teknolojinin gizemini açığa çıkaralım, imalat sektöründeki trendlere nasıl öncülük ettiğini ve ürün inovasyonunun gidişatını nasıl yeniden şekillendirdiğini keşfedelim.
Teknolojik yetenek ve hassas mühendisliğin sinerjisi olan IBC tank şişirme kalıplama makinesi serisiyle tanışın. Bu entegre sistem, ekstrüzyon şişirme kalıplama makinesi, IBC tank kalıbı ve kalite test cihazları gibi temel unsurlardan oluşur ve yüksek kaliteli IBC tanklarını verimlilik ve güvenilirlikle sorunsuz bir şekilde şekillendirir. Bu seri, en yüksek endüstri standartlarını karşılayan birinci sınıf ürünler sağlayarak üretimi yeniden tanımlıyor.
IBC tank şişirme makinesi üretimde
IBC tank şişirme makinesi tek katmanlı, 2 katmanlı ve 3 katmanlı özelliklere sahip çok yönlü seçenekler sunar.Saatte 22 adet üretim kapasitesine sahip bu gelişmiş sistem, verimlilik ve kalite sunar.Özellikle 2 katmanlı IBC tanklı şişirme kalıplama makinesine odaklanan bu çalışma, sağlamlık ve sıvı muhafazası sağlayan, optimum katmanlama için hassas mühendislik örneğidir.
Gelişmiş Çift Katman Yeteneği:
1. İçeriği koruyan, ışık geçirmez mavi veya siyah dış katmanla sıvı bütünlüğünü sağlayın.
2. Dış katman için geri dönüştürülmüş HDPE'yi kullanarak kaliteden ödün vermeden maliyet verimliliğini optimize edin.
3. Çift katmanların oran oranını özel gereksinimleri karşılayacak şekilde esnek özelleştirmeye olanak tanıyacak şekilde uyarlayın.
IBC tank şişirme makinesi bileşen listesi ve teknik özellikler sayfası
ŞARTNAME | BMS135Z | TANIM |
Maksimum Ürün Hacmi | 1000L IBM varil | |
Makina ağırlığı | 60 Ton | |
Makine Boyutu(UxGxY) | 9,0×6,5×7,8(U×G×Y) | |
EKSTRÜZYON ÜNİTESİ | ||
Vida çapı | 120 mm x 2 | HDPE vida malzemesi için |
Uzunluk/Çap Oranı | 30:1 | |
Namlu malzemesi | 38CrMoAIA + Nitrür tedavisi | |
Isıtıcı malzemesi | Seramik + Erime sensörü göstergesi | |
Ekstrüzyon Motor Gücü | 132KWx 2 | |
Plastikleştirme Kapasitesi | 800Kg/saat | HDPE |
KALIP BAŞLIĞI | ||
Kafa Tipi | IBC tamburu özel biriktirme | İlk giren ilk çıkar |
Isıtma Bölgesi No. | 8 | |
Isıtma Gücü | 56KW | |
Maksimum Kalıp Çapı | 950 mm | |
SIKIŞTIRMA ÜNİTESİ | ||
Sıkıştırma yapısı | İki bağlantı çubuğu | |
Sıkma Kuvveti | 2000 KN | |
Merdane Boyutu | 1600*1600mm | |
Merdane Açma İnme | 1200-2600mm | |
Taşıma hareketi | Doğrusal kılavuz + kaydırıcı yüksek basınç silindiri | |
KONTROL SİSTEMİ | ||
PARISON sistemi | Sahip olmak | Moog 100 puan |
Dokunmatik ekran | WEINVIEW | Tayvan'da yapıldı |
Robot kolu | Sahip olmak | Makas tipi |
DİĞERLERİ | ||
Hidrolik motor | Servo motor | İtalya AŞAMA |
Hidrolik pompa | Servo pompa | Japonya SUMITOMO |
Ekstrüzyon Motor Gücü | 136KW*2 | |
Toplam güç | 580KW | |
Ortalama Enerji Tüketimi | 174KW | |
İsim | Tedarikçi |
Hidrolik Servo Motor | FAZ/ İtalya |
Yağ pompası | SUMITOMO/ JAPONYA |
Hidrolik Valf | YUKEN/ JAPONYA |
Servo valf | ATOS/ İtalya |
Parison kontrol sistemi | MOOG/JAPONYA |
Mühürleyen | En İyi DZ / AVRUPA |
Mikrobilgisayar Kontrol Sistemi | MITSUBISHI PLC / JAPONYA |
Dokunmatik ekran | WEINVIEW / JAPONYA |
Sıcaklık kontrolörü | MITSUBISHI, / JAPONYA |
SSR | OMRON / JAPONYA |
Hava düğmesi | SCHNEIDER/ ALMANYA |
Motor | SIMENS BEIDE |
Güç Kaynağı | MEAN WELL/ TAYVAN |
Çevirici | DELTA/TAYVAN |
1. Bu makine plastik iç tank üretmek için kullanılır.Üretim kapasitesi saatte 22 adete ulaşıyor
2. Makine iki ekstruder sistemi ve güçlü makromolekül vidasını benimser, istikrarlı plastikleştirme kapasitesinden emin olun.
3. Özel tasarlanmış kalıp çekirdeği, min.ağırlık 13kg IBC davul
4. Makine yapısı stabil, çekme çubuğu boyunca orta plaka, yüksek hassasiyetli modül tasarımına sahip tüm çerçeve, kolayca sökülüp monte edilir, montajı bir gün içinde tamamlanır
5. Tambur kalınlığı tek tip, sekiz köşe güçlü.
6. Kararlı hidrolik sistem, hızlı hız, enjeksiyon malzemesi süresi yaklaşık 10 saniyedir.
7. Özel tasarlanmış IBC kafa biriktirir, malzemeyi hızlı bir şekilde değiştirir, düşük güç tüketimi
8. İyi soğutma etkisine ulaşmak için vidalı soğutma ve hidrolik soğutma için ayrı soğutma sistemi
9. Alt üfleme pimi hareketini ve robot kolunu kontrol etmek için orantı valfleri, hassas ve kararlı
10. Avrupa tasarımına sahip tüm makine.
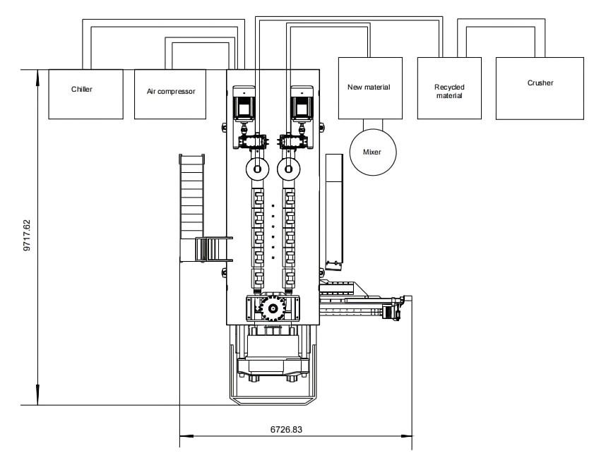
IBC tankı üfleme parçası düzeni
Yardımcı makineler
BEN. Plastik kırıcı
Plastik kırma makinesi, plastik malzemeleri daha küçük parçalara dönüştürmek için tasarlanmış bir cihazdır.Amacı, eskimiş plastik ürünleri geri dönüştürerek kullanılabilir hammaddelere dönüştürmektir.
l Tamamı çelik kaynaklı çerçeve, dayanıklı
l Çıkarılması kolay tasarım, kolay temizlik ve bakım
l İthal çelik kesici, keskin bıçak, değiştirilmesi kolay, dayanıklı
l Her türlü yumuşak ve sert plastiği kolayca ezin
l Güvenli kullanımı sağlamak için motor taşması ve elektrikli zincir, koruma sistemi ile donatılmıştır
lFarklı bıçak ve elek seçenekleri
Modeli | Güç | Bıçak No. | Kırma odası | Kapasite | Boyut | Ağırlık |
PD800 | 30hp | 6+4 adet | 815*470mm | 600kg | 1750*1540*2340mm | 2T |
II. HDPE'yi beslemek için vakumlu otomatik yükleyici
Vakumlu otomatik yükleyici, HDPE (Yüksek Yoğunluklu Polietilen) malzemesini bir işleme veya üretim sistemine otomatik olarak taşımak ve beslemek için emme özelliğini kullanan bir cihazdır.
• Basit kullanım, kolay bakım, otomatik elektrikli çalıştırma programı
• Paslanmaz çelik hazne
• Motor koruyucusu
• Aşırı yük ve malzeme eksikliği durumunda otomatik alarm
• Kolay temizlik için bağımsız filtre
• Makine haznesini takarken doğrudan isteğe bağlı elektrikli göz algılaması
Modeli | Güç | Kaldırmak | Boru D | Kapasite | Boyut | Ağırlık |
X800G | 1,5 kg | 5 milyon | 38 mm | 600kg | 1500*400*720mm | 80kg |
III.HDPE hammaddesi için karıştırıcı
Plastik karıştırıcı, ham maddeyi varilin tabanından ortasına ve daha sonra tepesine kaldırmak için hızlı bir şekilde dönen bir vida kullanır, ardından dağılmış malzemeyi toplayıp tekrar tabana dağıtır.Bu döngüsel süreç, kısa bir süre içinde önemli miktarda ham maddenin tam ve homojen bir karışımını etkili bir şekilde elde eder.
• Spiral döngüde karıştırma, ham maddelerin daha eşit ve hızlı bir şekilde harmanlanması
• Karışık mukavemet, kısa süre, düşük enerji, yüksek verim
• Ekipman ve hammaddenin malzemenin temas ettiği kısmı tamamen paslanmaz çelikten üretilmiştir, korozyonu önlemek için temizliği kolaydır.
• Zamanlayıcı, karıştırma süresini 0-30 dakika arasında seçebilir
• Güvenli çalışmayı sağlamak için elektrik kontrollü güvenlik koruma cihazlarıyla donatılmıştır
Modeli | Güç | Hız | Isıtma Opsiyonel | Kapasite | Boyut | Ağırlık |
JB1000L | 4kw | 330 dev/dak | 15 kW | 1000kgs | 1300*2670*630mm | 700kg |
IV. Su soğutmalı soğutucu
WHava soğutmalı soğutma grubu, bir işlem veya ekipmandaki ısıyı dağıtmak için suyu ortam olarak kullanan, sıcaklığı etkili bir şekilde düşüren ve optimum çalışma koşullarını koruyan bir soğutma sistemidir.
1. ithal kompres, yüksek verimlilik ve güçlü soğutma yeteneği ile
2. kompakt boyutlu
3. enerji tasarrufu ile
4. Mükemmel soğutma ve performansla IBC tank soğutması için en uygun
Modeli | Güç | Sıcaklık soğutma suyu | Su akışı | Kapasite | Boyut | Ağırlık |
SML-11S | 30hp | 5-30 derece | 28 metreküp/saat | 76000kcal saat başı | 2800*900*1800mm | 1,2 ton |

V. Su soğutucu için soğutma kulesi
1. Tam sızdırmaz, yağmur önleyici, ortalama dönüş hızı, aşınma önleyici, ABB marka motor
2. uzun ömürlü özel tasarlanmış redüktör
3. Yüksek fanlı ve düşük gürültülü alüminyum alaşımlı malzeme motorlu
4. Dolgu malzemesi: İşlenmemiş PVC şekillendirme, su-hava değişiminin süresini uzatır, daha uzun ömürlüdür
Modeli | Güç | Akış | Veritabanı gürültüsü | Hayranlar D | Boyut | Ağırlık |
60 ton | 1,5 kW | 46,8 metreküp/saat | 63.5 | 1170mm | D2100*2150mm | 250Kg |

VI. Hava üfleme için vidalı tip kompresör
Havayı sıkıştırmak ve ileri itmek için dönen vidalar kullanılarak hava akışı oluşturmak için vidalı tip bir kompresör kullanılır, böylece verimli ve tutarlı hava üfleme yetenekleri sağlanır.
1. Sessiz ve düşük titreşim
2. Kullanıcı dostu tasarım, optimize edilmiş yapı
3. düşük bakım maliyeti
4. Yüksek soğutma verimliliği
5. Gerçek doğrudan sürücü
6. düşük enerji kaybı
Modeli | Güç | Basınç | Kapasite | Çıkış D | Boyut | Ağırlık |
XLAM40A | 40hp | 10Bar | 4,3 metreküp/dak | G11/4 | 1200*950*1358mm | 620kg |

VII. Söndürme parçasını göndermek için konveyör
IBC tankı plastik parçalarının flaşın söndürülmesinden sonra taşınması için tasarlanmış konveyör bandı.
1. Tam otomatik tip
2. motorlu
3. yüksekliği ayarlanabilir
4. güvenlik düğmeli
5. daha kolay bakım ile
6. düşük gürültülü
Modeli | uzunluk | yükseklik | Genişlik | Kapasite | Boyut | Ağırlık |
TQ1000C | 2 milyon | Granülatör H'ye dayalı | 800 mm | 500Kg | 2000*800*1.5M | 600kg |

VIII. Vana bağlantısı için KAÇAK TEST CİHAZI
Sızıntı test cihazı, IBC tankının valf bağlantısında sızıntı olup olmadığını tespit edebilir.
1. Daha kolay yukarı ve aşağı için konveyörlü
2. Kesin test sonucu ile
3. Tam otomatik hat ile bağlanabilir
4. sonuç ekranda gösteriliyor
5. zaman ayarlanabilir şekilde ayarlanabilir
6. daha kolay bakım ile
Modeli | Hava basıncı | Basınç süresi | Slayt kılavuzu | Hava kısmı | Boyut | Ağırlık |
HJ1000LK | 0.5Mpa | 5 dakika | SBR | AIRTAC | 2000*2000*2340mm | 1T |

IX. Çerçeveli IBC tankı için titreşim test cihazı
1. IBC tablosu Uzun ömürlü, güçlü kalite
2. Dokunmatik ekran titreşim frekansını gösterir
3. Eksantrik tekerlek ve yaylı titreşim motoru, 25 mm dikey genliğe ulaşır;
4. ayrı kontrol kutusu ve ana gövde, güvenli çalışma
5. kolay kurulum ve kararlı çalışma
6. Masa Paslanmaz çelik 304, paslanma yok, deforme yok
7. değişken frekans tipine sahip titreşim masası, güçlü aşırı yükleme yeteneği
8. aşırı hız koruması ile güvenliği önleyin
Modeli | Sıklık | Genlik | Büyük yükleme | Masa boyutu | Tzaman ayarı | Ağırlık |
ZDZD1-IBC | 2-5Hz 100-300rpm ayarlanabilir | Dikey tip 25mm | 2000kg | 1200*1200mm | 0-999 saat ayarlanabilir | 800kg |

IBC tank şişirme makinemiz, endüstriyel üretim alanında yenilikçiliğin ve verimliliğin bir kanıtıdır.Hassasiyet, stabilite ve uyarlanabilirliğe odaklanan makinelerimiz, IBC tanklarının üretimini yeni boyutlara taşıyor.İster tek katmanlı basitlik ister çift katmanlı sistemimizin gelişmiş özellikleri olsun, üretim ihtiyaçlarınızı karşılamaya ve aşmaya kendimizi adadık.Mükemmelliğin sadece bir hedef değil aynı zamanda bir standart olduğu IBC tank üretiminin geleceğini bizimle deneyimleyin.